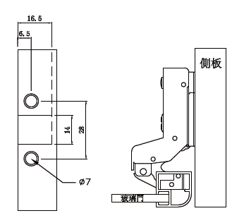
油压可拆西德后钮
型号 :
CH2002C
品名
颜色
规格
材质
杯直径
盖?分
几孔垫片
角度
油压可拆西德后钮
镍
11.5m/m
入柱
4孔
95°
铁
